Önemli Noktalar
Model: GMP104A1-05Ag
1.Geomaster mini prizma (GMP104)
2.Geomaster L-bar İzleme Mini Prism
3.ile M10 Sabitleme deliği × 1
4.Prizma diyaframı: 25.4mm
5.Gümüşkaplı (AG), su geçirmez
6.Prizma doğruluğu: ≦5 ' (W.ZyGo Raporu)
7.Ölçüm Aralığı: 2000m'ye kadar
| Kullanılabilirlik Durumu: | |
|---|---|
| Miktar: | |
GMP104A1-05Ag
Geomaster
90159000
Teknik Özellikler
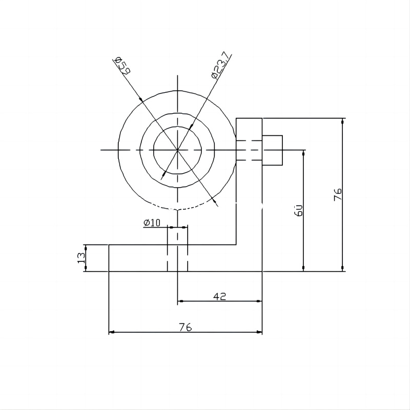
Model: GM P 104A 1-05Ag
1.Geomaster L-çubuk Mini Prizma ( GMP104 )
2.Mini Prizma Açıklığı: 25.4mm (1 inç)
3.Prizma Doğruluğu: ≦ 5' (w.Zygo tarafından oluşturulan Rapor)
4.Merkez Yükseklik: 60 mm (gösterildiği gibi)
5.Prizma Sabiti: -25 mm
6. Gümüş kaplamalı (Ag) ve su geçirmez (metal bir kutu içinde mühürlenmiştir)
7.Prizma Yansıtma: %95
8.Prizma Yüzey Cilası: 60~40
9.Ölçüm Aralığı: 2000 m'ye kadar (iyi hava koşullarında)
Özellikler
Model : GM P 104A 1-05Ag 1.Orijinal
GMP104 veya GMP004'e eşdeğer ve onun yerine geçer 2.Hermetik olarak siyah eloksallı Alüminyum Muhafaza ile yalıtılmış,
zorlu çalışma
ortamları için toz geçirmez, neme dayanıklı ve su geçirmez
3. Sağlam Alüminyum Tutucu L-bar: 3'×3', w.1 Delik (Çap 10 mm), farklı yüzeylere veya yerlere monte edilmiş , geçici veya kalıcı
4. Özelleştirme hizmeti s a/v
1)Prizma Doğruluğu: 3' (GMP104A1-03Ag), 5' ( GMP104A-05Ag), 8' (GMP104A-08Ag)
2 )Prizma Açıklığı: 38.1mm 25.4(1,5 inç), mm (1 inç), 12.7mm (0,5 inç)
3)Prizma Kaplama: kaplamasız,Bakır kaplamalı ( Cu ),Gümüş kaplamalı (Ag ), Anti-refleks kaplama ( AR ), Alüminyum
kaplamalı ( Al )
4)L-bar Renkler: karartma eloksallı veya beyaz eloksallı
Not: Herhangi bir güncelleme önceden haber verilmeksizin değiştirilebilir. Ölçme Cihazı,Ölçüm Ekipmanları ,Ölçüm Aksesuarları,Mobil Haritalama Sistemi,Mobil Haritalama Anketi,LiDAR Anketi,SLAM Haritalama Sistemi,Uzaktan Ölçme,Jeouzaysal,Gerçeklik Yakalama,SLAM Anketi,Ölçüm Prizması,360 derece Prizma,90 derece Prizma,Kedi Gözü Prizması,Mini Prizma, Mini Prizma Seti,Mini Prizma Sistemi, Mini Prizmayı İzleme, Prizmayı İzleme, Prizma Reflektörü,
Reflektör Prizması,Yol İzleme Prizması,Yol Prizması,Yol Bujisi,Robotik Prizma,Robotik Prizma,Robotik Prizma İstasyonu,Döner Prizma,Stakeout Mini Prizma, Traverse Prizma Kiti,Traverse Prizma Sistemi,Tünel Prizması, Drone Prizması, İHA Prizması,GPS Prizması,Lazer Prizması,Tarayıcı Prizması, 3D Prizma, Hedef Prizma, Optik Cam, Optik Prizma, Optik Kare, Led Yanıp Sönen Prizma, Yanıp Sönen Prizma
, Strobe Prizma, Tünel Prizması, İnşaat Prizması, Metro Prizması, L-bar Prizması, L-bar Mini Prizma, U-bar Prizma, U-bar Mini Prizma, U-bar İzleme Prizması, Çift Prizma, Çift Taraflı Prizma,
45 derece Mini Prizma,GMP Prizması,Yol Prizması,Dairesel Yol Prizması,Kare Yol Prizması,Yol Saplaması,Mini Prizma Paketi,Top Prizma,Top Mini Prizma,Sürgülü Prizma,Sürgülü Mini Prizma,Küresel
Montajlı Retro Reflektör (SMR), Kırmızı Halka Reflektör (RRR),Lazer Tracker,Küresel Prizma,Küresel Reflektör,Railshoe,Ray Pabucu,Yansıtıcı Küre Prizması,Premier Prizma
(Brunson,Faro, Geomax, GeoSLAM, Leica, Nikon ,Pentax,Riegl,SECO,Sokkia,Stonex,Topcon,Trimble,Zeb,Geomaster)
Teknik Özellikler
Model: GM P 104A 1-05Ag
1.Geomaster L-çubuk Mini Prizma ( GMP104 )
2.Mini Prizma Açıklığı: 25.4mm (1 inç)
3.Prizma Doğruluğu: ≦ 5' (w.Zygo tarafından oluşturulan Rapor)
4.Merkez Yükseklik: 60 mm (gösterildiği gibi)
5.Prizma Sabiti: -25 mm
6. Gümüş kaplamalı (Ag) ve su geçirmez (metal bir kutu içinde mühürlenmiştir)
7.Prizma Yansıtma: %95
8.Prizma Yüzey Cilası: 60~40
9.Ölçüm Aralığı: 2000 m'ye kadar (iyi hava koşullarında)
Özellikler
Model : GM P 104A 1-05Ag 1.Orijinal
GMP104 veya GMP004'e eşdeğer ve onun yerine geçer 2.Hermetik olarak siyah eloksallı Alüminyum Muhafaza ile yalıtılmış,
zorlu çalışma
ortamları için toz geçirmez, neme dayanıklı ve su geçirmez
3. Sağlam Alüminyum Tutucu L-bar: 3'×3', w.1 Delik (Çap 10 mm), farklı yüzeylere veya yerlere monte edilmiş , geçici veya kalıcı
4. Özelleştirme hizmeti s a/v
1)Prizma Doğruluğu: 3' (GMP104A1-03Ag), 5' ( GMP104A-05Ag), 8' (GMP104A-08Ag)
2 )Prizma Açıklığı: 38.1mm 25.4(1,5 inç), mm (1 inç), 12.7mm (0,5 inç)
3)Prizma Kaplama: kaplamasız,Bakır kaplamalı ( Cu ),Gümüş kaplamalı (Ag ), Anti-refleks kaplama ( AR ), Alüminyum
kaplamalı ( Al )
4)L-bar Renkler: karartma eloksallı veya beyaz eloksallı
Not: Herhangi bir güncelleme önceden haber verilmeksizin değiştirilebilir. Ölçme Cihazı,Ölçüm Ekipmanları ,Ölçüm Aksesuarları,Mobil Haritalama Sistemi,Mobil Haritalama Anketi,LiDAR Anketi,SLAM Haritalama Sistemi,Uzaktan Ölçme,Jeouzaysal,Gerçeklik Yakalama,SLAM Anketi,Ölçüm Prizması,360 derece Prizma,90 derece Prizma,Kedi Gözü Prizması,Mini Prizma, Mini Prizma Seti,Mini Prizma Sistemi, Mini Prizmayı İzleme, Prizmayı İzleme, Prizma Reflektörü,
Reflektör Prizması,Yol İzleme Prizması,Yol Prizması,Yol Bujisi,Robotik Prizma,Robotik Prizma,Robotik Prizma İstasyonu,Döner Prizma,Stakeout Mini Prizma, Traverse Prizma Kiti,Traverse Prizma Sistemi,Tünel Prizması, Drone Prizması, İHA Prizması,GPS Prizması,Lazer Prizması,Tarayıcı Prizması, 3D Prizma, Hedef Prizma, Optik Cam, Optik Prizma, Optik Kare, Led Yanıp Sönen Prizma, Yanıp Sönen Prizma
, Strobe Prizma, Tünel Prizması, İnşaat Prizması, Metro Prizması, L-bar Prizması, L-bar Mini Prizma, U-bar Prizma, U-bar Mini Prizma, U-bar İzleme Prizması, Çift Prizma, Çift Taraflı Prizma,
45 derece Mini Prizma,GMP Prizması,Yol Prizması,Dairesel Yol Prizması,Kare Yol Prizması,Yol Saplaması,Mini Prizma Paketi,Top Prizma,Top Mini Prizma,Sürgülü Prizma,Sürgülü Mini Prizma,Küresel
Montajlı Retro Reflektör (SMR), Kırmızı Halka Reflektör (RRR),Lazer Tracker,Küresel Prizma,Küresel Reflektör,Railshoe,Ray Pabucu,Yansıtıcı Küre Prizması,Premier Prizma
(Brunson,Faro, Geomax, GeoSLAM, Leica, Nikon ,Pentax,Riegl,SECO,Sokkia,Stonex,Topcon,Trimble,Zeb,Geomaster)
Paketleme Detayları
Model: GMP104A1-05Ag
1.NW: 225g (Taşıma Çantası ile)
2.Qty./CTN: 50 adet
3.GW/CTN: 12kg
4.Boyut/CTN: 0.02cbm(45cm×20cm×22cm)
Paketleme Detayları
Model: GMP104A1-05Ag
1.NW: 225g (Taşıma Çantası ile)
2.Qty./CTN: 50 adet
3.GW/CTN: 12kg
4.Boyut/CTN: 0.02cbm(45cm×20cm×22cm)
Geomaster (Kanada) Uluslararası Sarf Malzemeleri, Inc.
(Geomaster Group'un bir parçası) Montreal, Quebec, Kanada
e-posta:
Tianjin Geochoix Equip Sales Ltd (Geomaster Group'un bir parçası).Tüm hakları saklıdır
ICP'nin açıklaması:ICP备17003947号-1 ICP备14007425号-1